Switch Type -2 Way Tonheflow 2 Inch AC110-230v Normally Closed Electric Motorized True Union Ball Valve PVC
1. Beautiful appearance, compact structure, high precision, large output torque, service life is not less than 70,000 times.
2. The actuator and valve can be assembled from multiple angles, which is convenient for users to allocate space.
3. Ball valve adopts floating soft seal structure, no drip leakage, suitable for heavy dirt and long-term no action occasions.
4. Protection grade IP67, can be used in relatively humid environment.
Online Service
Tel:(Export) 86-0576-81100233
(Domestic trade) 86-0576-81100231
Email: tonheflow@china-tonhe.com
WhatsApp: 8617706593558
Fax: 86-576-81100232
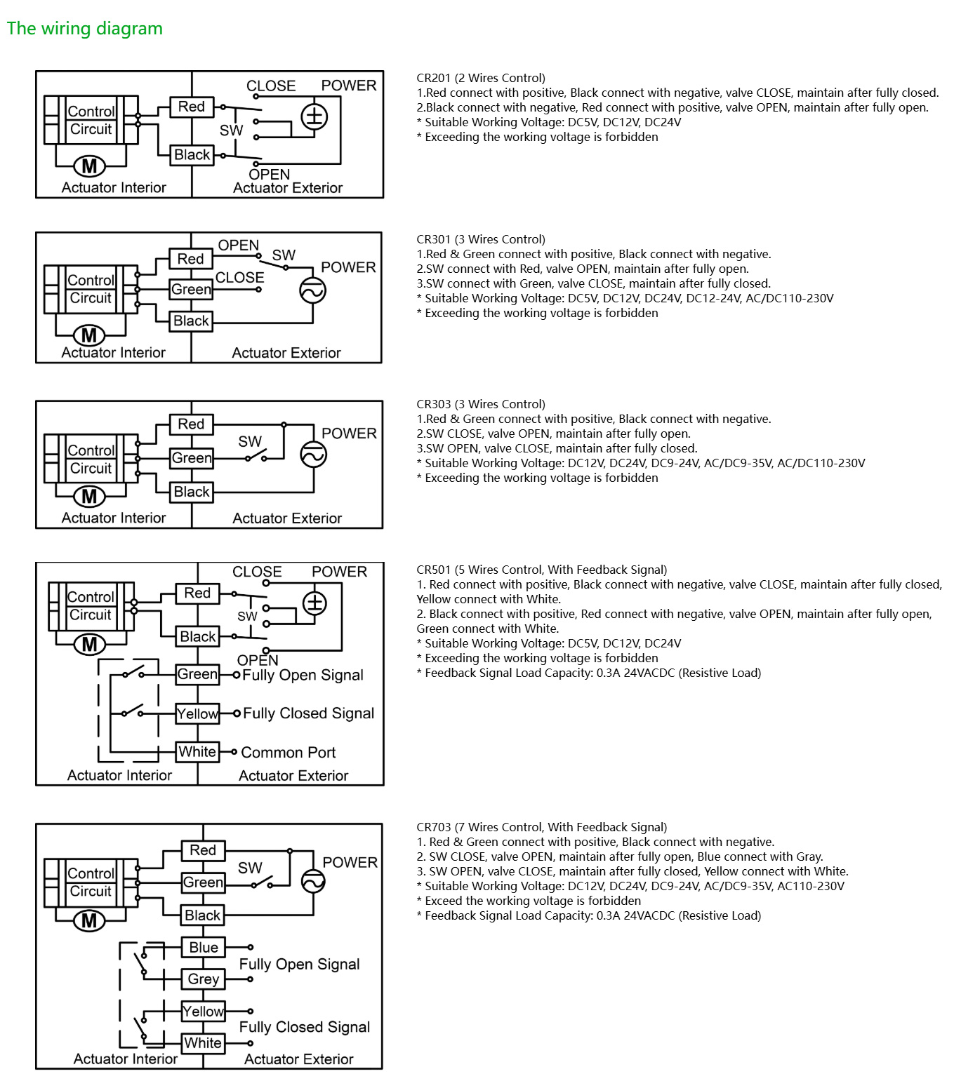
Wiring Diagram

1.RD connect with positive, the BK connect with negative, the valve closed, the actuator automatically power off after in place, the valve remains fuly closed position.
2.BK connect with positive, the RD connect with negative, the valve open, the actuator automatically power off after in place,the valve remains fully open position.
Suitable Working Voltage: DC5V,DC12V,DC24V
Exceeding the working voltage is forbidden

1.RD & GR connect with positive, BK connect with negative.
2.When OPEN( RD) & SW connected, the valve OPEN, the actuator automatically power off after in place, valve remains fully open position.
3.When CLOSE(GR) & SW connected, the valve CLOSED, the actuator automatically power off after in place, valve remains fully closed position.
Suitable Working Voltage: DC5V,DC12V,DC24V,AC/DC9-24V
Exceeding the working voltage is forbidden

1.RD& GR connect with positive, the BK connect with negative.
2.SW CLOSED, the valve OPEN, the actuator automatically power off after in place.
3.SW OPEN, the valve CLOSED, the actuator automatically power off after in place.
Suitable Working Voltage: AC/DC9-24V,AC110-230V
Exceeding the working voltage is forbidden

1.RD connect with positive, the BK connect with negative, the valve closed, the actuator automatically power off after in place.
2.BK connect with positive, the RD connect with negative, the valve open, the actuator automatically power off after in place.
3.GR & WT connect with the valve's fully open signal wiring.
4.YW & WT connect with the valve's fully closed signal wiring.
Suitable Working Voltage:DC5V,DC12V,DC24V
Exceeding the working voltage is forbidden

1.RD & GR connect with positive, the BK connect with negative.
2.When RD & SW connected, the valve OPEN, the actuator automatically power off after the valve fully open.
3.When GR & SW connected, the valve CLOSED, the actuator automatically power off after the valve fully closed.
4.BL & GY connect with the valve's fully open signal wiring.
5.YW & WT connect with the valve's fully closed signal wiring.
Suitable Working Voltage: DC5V,DC12V,DC24V
Exceeding the working voltage is forbidden
Feedback with load ability:
① The Max. off voltage: DC36V,AC220V
② The Max. off current: ≦0.4A

1.RD& GR connect with positive, the BK connect with negative.
2.SW CLOSED, the valve OPEN, the actuator automatically power off after in place.
3.SW OPEN, the valve CLOSED, the actuator automatically power off after in place.
4.BL & GY connect with the valve's fully open signal wiring.
5.Yw & WT connect with the valve's fully closed signal wiring.
Suitable Working Voltage: AC/DC9-24V.AC110-230V
Exceeding the working voltage is forbidden

1.When SW is closed, the valve OPEN. the actuator automatically power off after in place.
2.When SW is open, the valve CLOSED, the actuator automatically power off after in place.
Suitable Working Voltage: AC/DC9-24V AC110-230V
Exceeding the working voltage is forbidden

1.RD& GR connect with positive, the BK connect with negative.
2.SW CLOSED, the valve OPEN, the actuator automatically power off after in place.
3.SW OPEN, the valve CLOSED, the actuator automatically power off after in place.
4.When extemal power off, the valve OPEN, the actuator automatically power off after in place.
Suitable Working Voltage: AC/DC9-24V,AC110-230V
Exceeding the working voltage is forbidden

1.When SW is closed, the valve OPEN. the actuator automatically power off after in place.
2.When SW is open, the valve CLOSED, the actuator automatically power off after in place.
3.GR & WT connect with the valve's fully open signal wiring.
4.YW & WT connect with the valve's fully closed signal wiring.
Suitable Working Voltage: AC/DC9-24V, AC/DC110V-230V
Exceeding the working voltage is forbidden

1.RD & GR connect with positive, the BK connect with negative.
2.SW CLOSED, the valve OPEN, the actuator automatically power off after in place .
3.SW OPEN, the valve CLOSED, the actuator automatically power off after in place.
4. When external power off, the valve open, the actuator automatically power off after in place.
5.BL & GY connect with the valve's fully open signal wiring.
6.YW & WT connect with the valve's fully closed signal wiring.
Suitable Working Voltage: AC/DC9-24V,AC110-230V
Exceeding the working voltage is forbidden
Welcome to our website! Please send your words at any time in the following form and ask us, we will contact you and provide you with the corresponding service as soon as possible. Please write in English.
Switch Type -3-Way 3/4" DN20 304 Stainless Steel Electric Motorized Ball Valve
1. Beautiful appearance, compact structure, high precision, large output torque, service life is not less than 70,000 times.
2. The actuator and valve can be assembled from multiple angles, which is convenient for users to allocate space.
3. Ball valve adopts floating soft seal structure, no drip leakage, suitable for heavy dirt and long-term no action occasions.
4. Protection grade IP67, can be used in relatively humid environment.
Switch Type -2 Way Tonheflow 1 1/4 Inch AC110-230v Normally Closed Electric Motorized True Union Ball Valve PVC
1. Beautiful appearance, compact structure, high precision, large output torque, service life is not less than 70,000 times.
2. The actuator and valve can be assembled from multiple angles, which is convenient for users to allocate space.
3. Ball valve adopts floating soft seal structure, no drip leakage, suitable for heavy dirt and long-term no action occasions.
4. Protection grade IP67, can be used in relatively humid environment.
Switch Type -2 Way Tonheflow 1 1/2 Inch AC110-230v Normally Closed Electric Motorized True Union Ball Valve PVC
1. Beautiful appearance, compact structure, high precision, large output torque, service life is not less than 70,000 times.
2. The actuator and valve can be assembled from multiple angles, which is convenient for users to allocate space.
3. Ball valve adopts floating soft seal structure, no drip leakage, suitable for heavy dirt and long-term no action occasions.
4. Protection grade IP67, can be used in relatively humid environment.
Switch Type -2 Way Stainless Steel 304 Electric Water Ball Valve 1 1/2" DN40 Motorised Actuated Gas Ball Valves
1. Beautiful appearance, compact structure, high precision, large output torque, service life is not less than 70,000 times.
2. The actuator and valve can be assembled from multiple angles, which is convenient for users to allocate space.
3. Ball valve adopts floating soft seal structure, no drip leakage, suitable for heavy dirt and long-term no action occasions.
4. Protection grade IP67, can be used in relatively humid environment.